三维电热消息 目前我国在建及投产的连续重整装置多采用美国环球油品公司(以下简称 UOP)工艺包或专利技术。连续重整技术的核心为在不停车工况下在线完成废催化剂的再生及循环利用。结焦的催化剂从反应器底部通过待生催化剂阀门组在氮气提升下到分离料斗完成分选后,催化剂小球进入再生器经过催化剂的烧焦 氧氯化 干燥及冷却,完成废催化剂的再生后提升至重整反应器还原段还原后重新进入反应。其中,控制再生器干燥区入口温度尤为重要,因为催化剂的含湿量有严格要求,会直接影响催化剂的寿命,而干燥区入口温度由空气电加热器实现。
1.工艺流程及配管布置
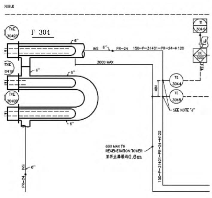
如图 1 所示为空气电加热器至再生器干燥区入口流程图,按照 UOP 要求,此段管线几何长度不得超过 3m,且热电偶TE3045 距再生器不得超过 0. 6m。按照上述要求,通常配管布置有如图 2 和图 3 两种布置方式。图 2 为电加热器靠近再生器且空气电加热器至再生器干燥区入口流程图,此时管线几何长度为 3. 6m;如图 3 所示,电加热器出口与干燥区入口正对且同标高,管线几何长度为 1. 0m。两种布置方式空气电加热器均在构架内。

图 1 所示为空气电加热器至再生器干燥区入口流程图


温降
2.方案对比
2.1管线温降
正常情况下,此入口管线要求保温以减少温降,从而达到UOP 所要求的 565℃,但在某刚开工炼厂却出现入口温度达不到此温度,最高只达能到 490℃的情况,经逐一分析排查最终发现此段管线保温不合格。该炼厂此管线按图 2 方式布置。在不考虑其它因素,管内介质按层流考虑,根据牛顿冷却公式:Q= KA△tm,在相同条件下,传热面积越大,则热量损失越大,不难看出一旦现场保温不合格,图 2 布置方式比图 3 布置方式热量损失大,将很难满足进口温度要求,进而导致催化剂含湿量增加,影响催化剂使用性能,进而影响重整产物品质。
2.2管道热应力
两种布置方式下相关管线的热应力计算软件截图如图4、图5 所示。


两种布置方式均需在 1、2 点处设置弹簧支吊架,但因图4中有水平管段,可吸收热涨量,不存在水平位移,而图 5 中直接与设备管嘴连接,会存在水平位移,因此需在 1、2 处设置导向支架。经计算得出,图 4 中 1、2 点的垂直荷载为 9751N,设备管嘴3 处垂直荷载为 895N,水平荷载为 1224N;图 5 中 1 点垂直荷载为11397N,2 点垂直荷载为 6448N,设备管嘴 3 处垂直荷载2259N,水平荷载 5141N。由以上数据得出,图 2 的电加热布置方式从管系受力角度考虑要优于图 3 中所示的布置方式。
2.3换热器抽芯检修
空气电加热器结构如下图所示,端子及管束均有抽出检修需要。结构因强度需要必须在如图所示位置打撑。图 2 的布置方式无论人手拉管束还是靠工具拉都会受电加热器抽芯长度影响,一旦厂家将管束做长,则严重影响电加热器的抽芯检修。图 3 的布置方式则受电加热器管束长度约束较小,只要管束在合理范围内则都能保证抽芯空间。
3.小结
通过对两种空气电加热器布置方式的对比,不难看出,从有效降低不正常工况(管线保温不合格) 引起的温降和检修角度考虑,图 3 的布置方式更为合理,而从管係热应力角度分析,图2 布置方式能很好的满足管道的热应力要求。但是通过调整弹簧支吊架荷载以及增设导向支架等措施,图 3 的布置方式也能满足管道受力要求。因此,综合考虑,建议采用图 2 的布置方式。